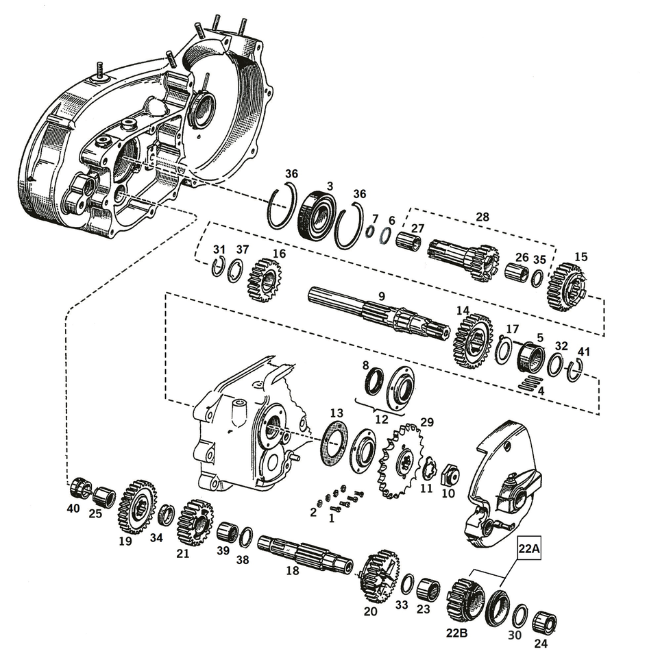
PARTI PER CAMBIO SPORTSTER 4 MARCE

232,14 

Clutch gear w/bearings 18T XL87-90

Disponibile (ordinabile)

Assistenza Gratuita Sempre!

  • Segno di spunta Soddisfazione garantita
  • Segno di spunta Rimborso senza problemi
  • Segno di spunta Pagamenti sicuri
CONTROLLO SICURO GARANTITO
  • Visa Card
  • MasterCard
  • American Express
  • Discover Card
  • PayPal

Descrizione

Parti per cambi Sportster dal 1954 al 1990. Le parti per cambio di Zodiac sono in lega d’acciaio più resistente dell’originale, e lavorate alla perfezione sulle specifiche OEM per una compatibilità perfetta ed una grande resistenza all’usura. Gli ingranaggi e alberi Andrews sono pallinati per la massima durabilità.

Le quantità marcate con * sono vendute in confezioni multiple da 5, 10 o 25